Automatic Transmission 2-Speed thru 10-Speed GM Autos | Converters | Shift Kits
Sponsored by:
Sponsored by:

4L60E switch on shifter

Thread Tools
 
Search this Thread
 
Old May 16, 2025 | 10:17 PM
  #1  
Scottvsmith's Avatar
Thread Starter
Teching In
 
Joined: May 2025
Posts: 3
Likes: 1
From: Herriman Utah
Default 4L60E switch on shifter

** Update** as it turns out, it must be a NSS because it won’t start with the sensor unplugged. If anyone has a schematic for this sensor, please post it. Thank you!!!


I have a 4L60E trans with an unknown to me switch on the shifter (1999 Trans Am Console Shifter). I thought it was a neutral safety switch, but I have been corrected as per the wiring of my switch. I’d like to replace the shifter with one that will not support this factory switch. Since it is not a NSS, what is it??? Here is a photo of a shifter with the same switch.


Last edited by Scottvsmith; May 18, 2025 at 10:32 PM.
Reply
Old May 17, 2025 | 08:30 AM
  #2  
bbond105's Avatar
TECH Junkie
10 Year Member
Liked
Loved
Community Favorite
 
Joined: May 2012
Posts: 3,042
Likes: 713
From: Poplarville, MS
Default

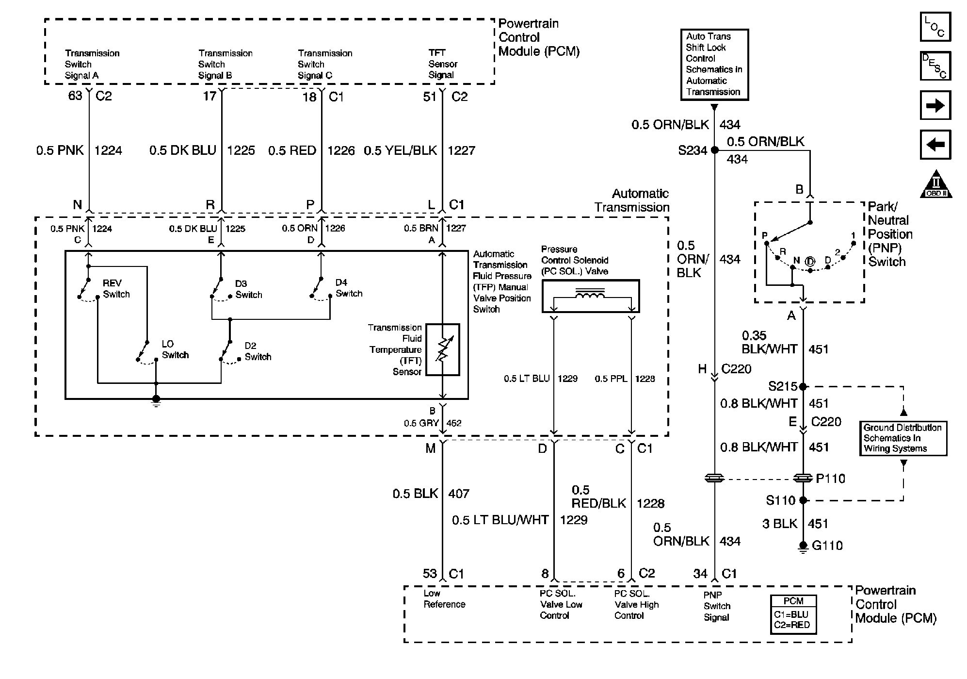
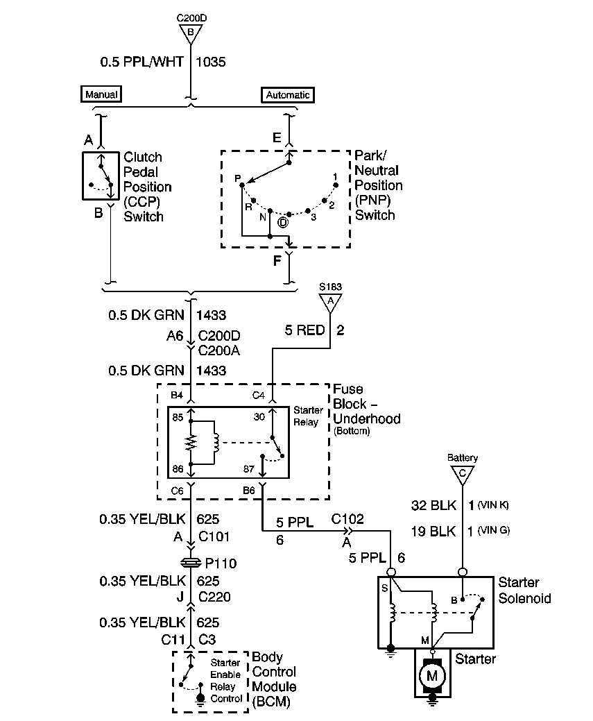
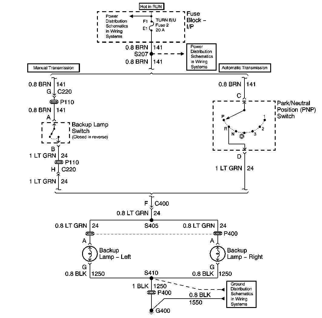
This should get you where you want to go.




Reply
Old May 17, 2025 | 08:43 AM
  #3  
Steves1911's Avatar
Staging Lane
Photogenic
Photoriffic
Liked
Loved
iTrader: (1)
 
Joined: Jul 2024
Posts: 80
Likes: 19
From: Wv
Default


Green and purple are the neutral safety switch. Just went through this after installing a b&m shifter. You can connect them to bypass the nss or connect them to a microswitch on a aftermarket shifter or connect them them to a switch if you'd like.
Reply
Old May 17, 2025 | 09:30 AM
  #4  
Scottvsmith's Avatar
Thread Starter
Teching In
 
Joined: May 2025
Posts: 3
Likes: 1
From: Herriman Utah
Default

I’m gonna have to crawl around and locate the NSS and it’s wires as this is my connector. And I’ll read the schematic and figure out what exactly the other 4 wires are. Thank you guys for your assistance!!!
Reply
Old May 20, 2025 | 06:38 PM
  #5  
Scottvsmith's Avatar
Thread Starter
Teching In
 
Joined: May 2025
Posts: 3
Likes: 1
From: Herriman Utah
Default

bbond105,
Thank you sir!!! The schematics got me what I needed.
Reply
Old May 22, 2025 | 09:02 AM
  #6  
bbond105's Avatar
TECH Junkie
10 Year Member
Liked
Loved
Community Favorite
 
Joined: May 2012
Posts: 3,042
Likes: 713
From: Poplarville, MS
Default

Originally Posted by Scottvsmith
bbond105,
Thank you sir!!! The schematics got me what I needed.
You're welcome, I'm glad they helped.
Reply




All times are GMT -5. The time now is 12:06 AM.