Automatic Transmission 2-Speed thru 10-Speed GM Autos | Converters | Shift Kits
Sponsored by:
Sponsored by:

4L80 Park Neutral Position Switch - which to wire to PCM #34?

Thread Tools
 
Search this Thread
 
Old Feb 15, 2026 | 12:37 PM
  #1  
paradigmGT's Avatar
Thread Starter
Launching!
10 Year Member
Photogenic
Photoriffic
Shutterbug
 
Joined: May 2014
Posts: 253
Likes: 5
From: Long Island, NY
Default 4L80 Park Neutral Position Switch - which to wire to PCM #34?

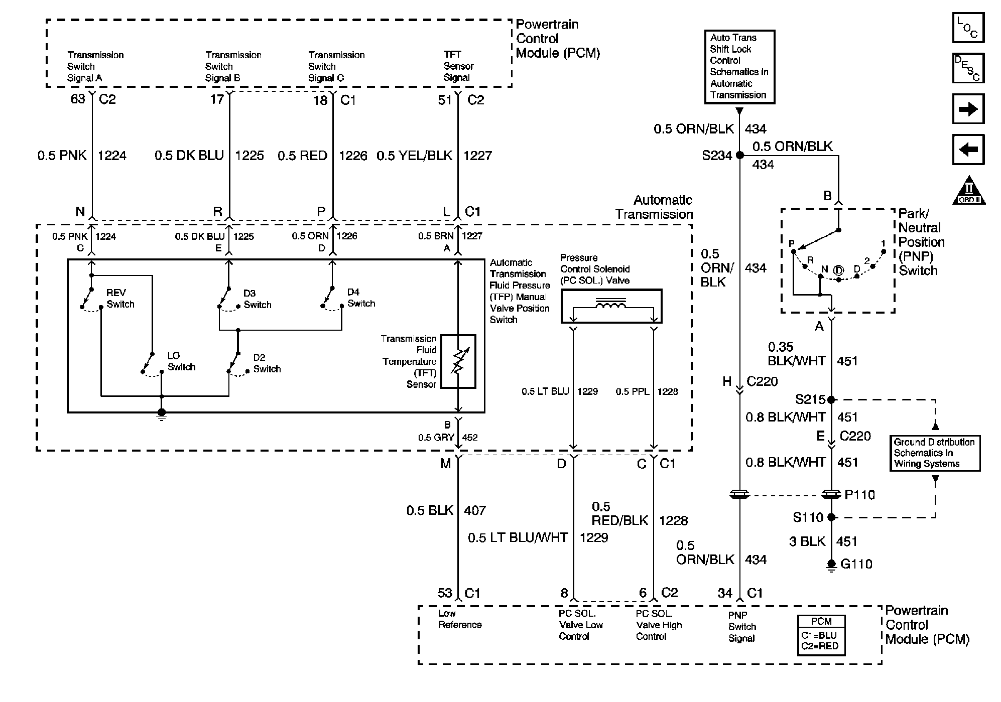
Which of these pins on the 4L60/4L80 park neutral position switch should I send to the PCM blue connector #34 to tell the PCM the car is in park / neutral? Would this change the idle in park / neutral, or is this to prevent the car from starting outside of park / neutral?


Reply
Old Feb 15, 2026 | 07:22 PM
  #2  
bbond105's Avatar
TECH Junkie
10 Year Member
Liked
Loved
Community Favorite
 
Joined: May 2012
Posts: 3,042
Likes: 713
From: Poplarville, MS
Default

ORN/BLK wire goes to the C1 connector at the PCM pin 34.


Reply
Old Feb 16, 2026 | 11:26 AM
  #3  
paradigmGT's Avatar
Thread Starter
Launching!
10 Year Member
Photogenic
Photoriffic
Shutterbug
 
Joined: May 2014
Posts: 253
Likes: 5
From: Long Island, NY
Default

Originally Posted by bbond105
ORN/BLK wire goes to the C1 connector at the PCM pin 34.

Thank you
Reply




All times are GMT -5. The time now is 10:22 PM.