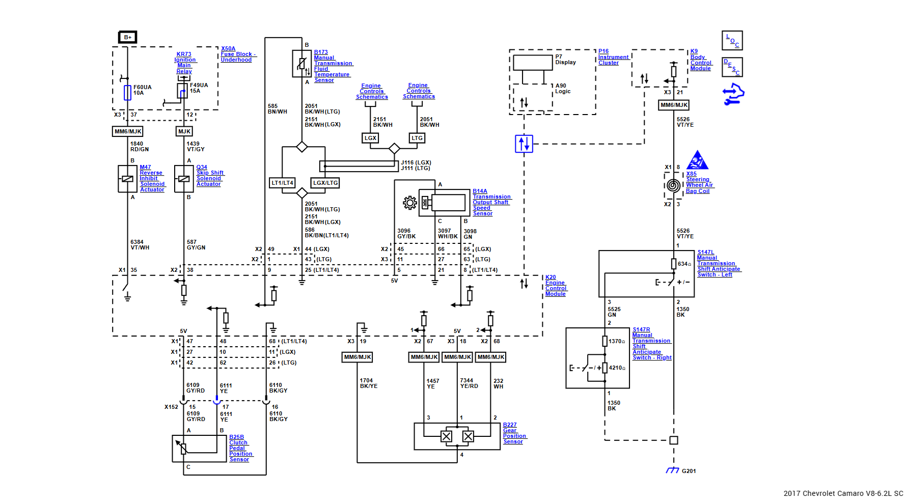
2017 Camaro manual VSS pin numbers
I have nearly finished (ready to set it on the ground and drive) installing a Gen 5 LT4 with a T-56 Magnum F in my 1996 Impala SS.
The only thing holding me up from driving it is that the VSS wires are not attached to the correct computer pins, so I have no speedo output (required for full power).
I'm using a 2017 Camara manual trans ECU.
Can anyone tell me which pins on the ECU are for the two VSS wires from the transmission?
I have already tried the X2-black 6 and 7 pin and the X2-black 8 and 21 pin combinations (educated guesses from other pin diagrams) and neither worked.
I am trying to get this car down and over to a work car/project show this afternoon and could really, really use a quick and correct answer.
The only thing holding me up from driving it is that the VSS wires are not attached to the correct computer pins, so I have no speedo output (required for full power).
I'm using a 2017 Camara manual trans ECU.
Can anyone tell me which pins on the ECU are for the two VSS wires from the transmission?
I have already tried the X2-black 6 and 7 pin and the X2-black 8 and 21 pin combinations (educated guesses from other pin diagrams) and neither worked.
I am trying to get this car down and over to a work car/project show this afternoon and could really, really use a quick and correct answer.



