LQ4 6.0 Cam Position Sensor issues
Car runs, drives fine,, but gets an intermittent P0342 cam position code.
I've replaced the sensor with an AC Delco replacement part.
Still. Intermittent code.
I found the sensor plug was faulty and I replaced it.
I also replaced the ground wire yel/blk to Blue 21 and the signal wire brn/blk to blue 73
Replaced both from the plug back to the PCM
With my logic probe, at the plug (ign on)
ive got hot on red wire green 39
ground on blue 21
half a ground signal from blue 73
ive checked continuity from the plug to the pcm pins.. all are good.
the problem is...
Now Im getting NO START. just crank crank....
Im a journeyman collision tech by trade and don't usually diag motors.
I have the torque app, but not a fancy scanner.
Any ideas on my next move?
Move it back to the CRANK Sensor.
I am a specialized electronics tech by trade, wired all kinds of LS stuff in cars in the last 17 years.

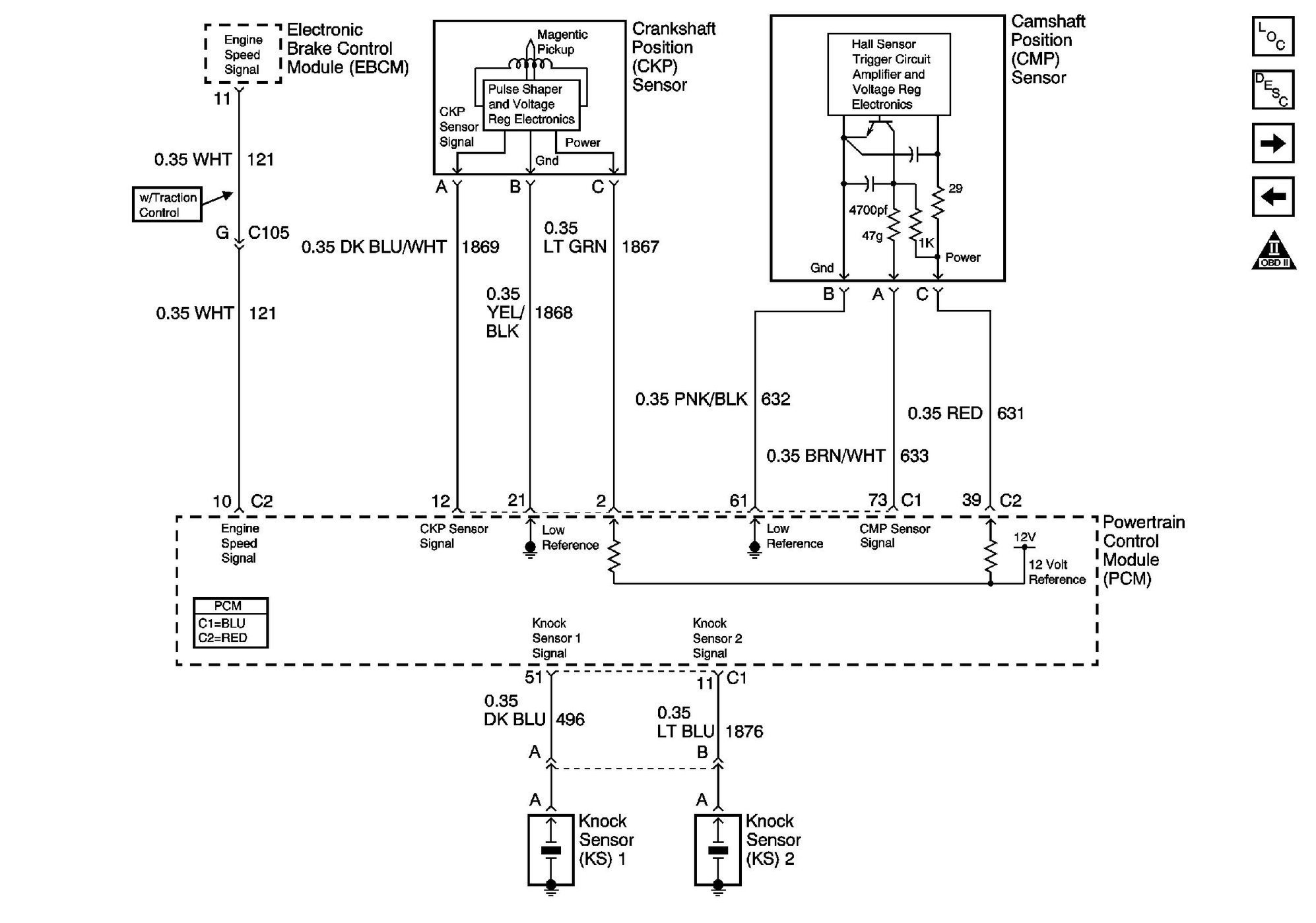
Here is the schematic, wire it back right.
Move it back to the CRANK Sensor.
I am a specialized electronics tech by trade, wired all kinds of LS stuff in cars in the last 17 years.

Here is the schematic, wire it back right.
Ugh. I do not understand how I missed this.
Maybe Beer and wiring doesn't mix








