LOG IN
REGISTER
Forums
WELCOME TO LS1TECH
Introductions & Greetings
General LSX Automobile Discussion
New LS1 Owners - Newbie Tech
User Support & Resources
Featured Vehicles & Products
New Products Showcase
Sponsor Vehicle Projects & Shop Tours
Staff Vehicles Showcase
LS1-LS2-LS3-LS6-LS7 PERFORMANCE
Generation III Internal Engine
Generation IV Internal Engine
Generation V Internal Engine
Generation III External Engine
Generation IV External Engine
Generation V External Engine
Conversions & Swaps
PCM Diagnostics & Tuning
Fueling & Injection
Carbureted LSX Forum
Forced Induction
Nitrous Oxide
Dynamometer Results & Comparisons
Tools & Fabrication
Advanced Engineering Tech
SBC-BBC-LT1-LT4 PERFORMANCE
LT1-LT4 Modifications
Small Block & Big Block Chevy Specific
CHASSIS, SUSPENSION, APPEARANCE
General Maintenance & Repairs
Automatic Transmission
Manual Transmission
Gears & Axles
Suspension & Brakes
Wheels & Tires
Appearance & Detailing
Paint & Body Work
Wiring, Stereo & Electronics
Gen 5 Camaro 2010-2015 Forum
Gen 5 Camaro External Bolt-On Tech
Gen 5 Racing Tech
Gen 5 Camaro Power-Adder Tech
Gen 5 Camaro Drivetrain Tech
Gen 5 Camaro Suspension Tech
Gen 5 Camaro Tuning, Diagnostics, Dyno results
Gen 5 Camaro Racing Tech, Results
Gen 5 Camaro Special Edition Vehicles
VEHICLE SPECIFIC FORUMS
Gen 6 Camaro 2016+ Forum
Pontiac G8 2008-09 & Chevrolet SS 2014+
Chevrolet Camaro 1967-2002
Pontiac Firebird 1967-2002
Corvette Performance
Pontiac GTO 2004-2006
Cadillac CTS-V 2004-2007 (Gen I)
Cadillac CTS-V 2009-2015 (Gen 2)
Cadillac CTS-V 2016 - (Gen 3)
LS4 Performance
Holden Performance
Special Edition Vehicles
Convertible Vehicles
RACING DEPARTMENT
Drag Racing Tech
Drag Racing Results
12 Second Club
11 Second Club
10 Second Club
Single Digit Club
Road Racing
Street Racing & Kill Stories
NATIONAL EVENTS
Hot Rod Power Tour/ Pump Gas Drags/ Drag Week
LTX Shootout
Holley LS Fest
Other Special Events
SALES DEPARTMENT
Marketplace
Sponsor Sales & Specials
Sponsor Group Purchases
Parts Classifieds
Parts Wanted
Vehicle Classifieds
Vehicles Wanted
Negative Trader Feedback
What is it Worth?
Non-Automotive Classifieds
Automotive Careers
LS1TECH Sponsor Feedback
WEBSITE ACTIVITY FORUMS
Automotive News, Media & Press
Newsletter Archive
Multimedia Exchange
REGIONAL FORUMS
Military Hotrod Club
Texas Members
Midwestern Members
Eastern Members
Northwest Members
Western Members
Southern Members
Florida Members
Canadian Members
International Members
News
Marketplace
Vendor Directory
Become a Vendor
Vendor Marketplace
Marketplace
New Posts
Tools
Car Payment Calculator
Tire Rim Calculator
Vin Decoder
Recalls
Technical Service Bulletins (TSBs)
Members List
Live Feed
How-Tos
Gallery
View Dark Mode
Please register or login to enable Dark Mode.
Log In
Register
Threads
Google
Threads
Posts
Advanced
LS1TECH - Camaro and Firebird Forum Discussion
View First Unread
Thread Tools
Search this Thread
Log In
|
Register
Dark Mode
Please register or login to enable Dark Mode.
About Us
Your Privacy Choices
Manage Preferences
Archive
Advertising
Cookie Policy
Privacy Statement
Terms of Service
Affiliate Disclosure
When you click on links to various merchants on this site and make a purchase, this can result in this site earning a commission. Affiliate programs and affiliations include, but are not limited to, the eBay Partner Network.
×
Log In
Forgot your Password?
By logging into your account, you agree to our
Terms of Use
and
Privacy Policy
, and to the use of cookies as described therein.
or
Login with Google
Login with Facebook
LS1TECH - Camaro and Firebird Forum Discussion
SBC-BBC-LT1-LT4 PERFORMANCE
LT1-LT4 Modifications
Need help identifying a part on the radiator.
LT1-LT4 Modifications
1993-97 Gen II Small Block V8
Community Links
Social Groups
Pictures & Albums
Members
Search Forums
Show Threads
Show Posts
Tag Search
Advanced Search
Find All Liked Posts
Go to Page...
Need help identifying a part on the radiator.
Reply
Subscribe
Thread Tools
Search this Thread
Mar 18, 2018 | 06:21 PM
Share
Share Options
#
1
PyroguyFTW
Thread Starter
Banned
iTrader: (
1
)
Joined:
Aug 2016
Posts:
189
Likes:
2
From:
PA
Need help identifying a part on the radiator.
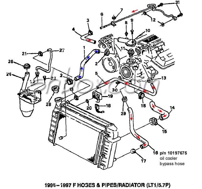
Does anyone know what numbers 18-20 are on here? I couldn't find a list for the diagram anywhere. Thank you!
Reply
0
0
PyroguyFTW
View Public Profile
Find More Posts by PyroguyFTW
View iTrader Profile
Mar 18, 2018 | 06:29 PM
Share
Share Options
#
2
lt1-xjs
TECH Fanatic
Joined:
Jun 2007
Posts:
1,255
Likes:
11
From:
centerville, ohio
Looks like the wire connector, level sensor and the orings.
Reply
0
0
lt1-xjs
View Public Profile
Find More Posts by lt1-xjs
View iTrader Profile
Reply
Subscribe
Back to Subforum
LT1-LT4 Modifications
View Next Unread
Thoughts on cam for 383 lt1
Thread Tools
Show Printable Version
Search this Thread
Advanced Search
Thread Tools
Show Printable Version
Email this Page
Advanced Search
Reply
Closed Thread
Share
Facebook
Twitter
Reddit
First
Prev
1
/
1
Next
Last
1
All times are GMT -5. The time now is
01:04 AM
.