TC/lockup
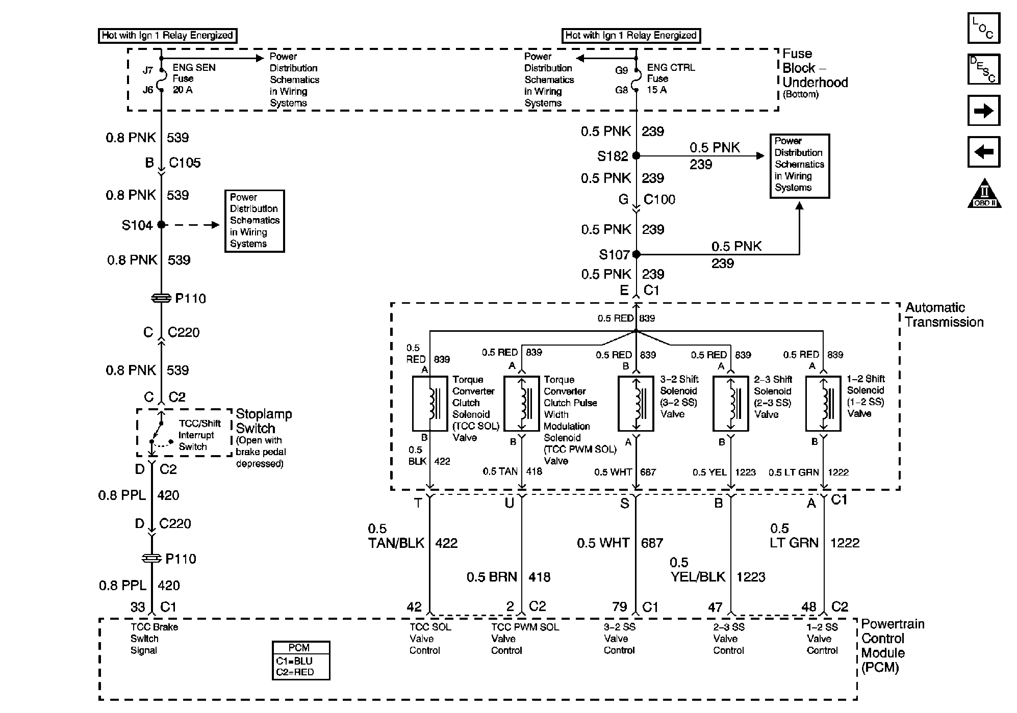
DID i do this right? I have a 74 450SL MBZ with a 5.3 and a 4L60E and 3.8 rear diff (stock) i hooked up the TC lockup to a old school high/low beam switch on the floor to lock/unlock i put power from switch to wire going to ECM for lockup or (intow/out tow) this works for me but i have not hooked up to brake light switch yet i have to add a relay to do this. later i will hook up a superior adj. vacuum switch for engine load. so is every one hooking there tc lockup or is the ECM doing it. at 65/70 flat ground no wind i get 28MPG and at 100MPH the RPM is about 2850 THANKS








