Extra connection.
Thread Starter
Joined: Nov 2011
Posts: 1,710
Likes: 228
From: Sonoma Co. Ca.
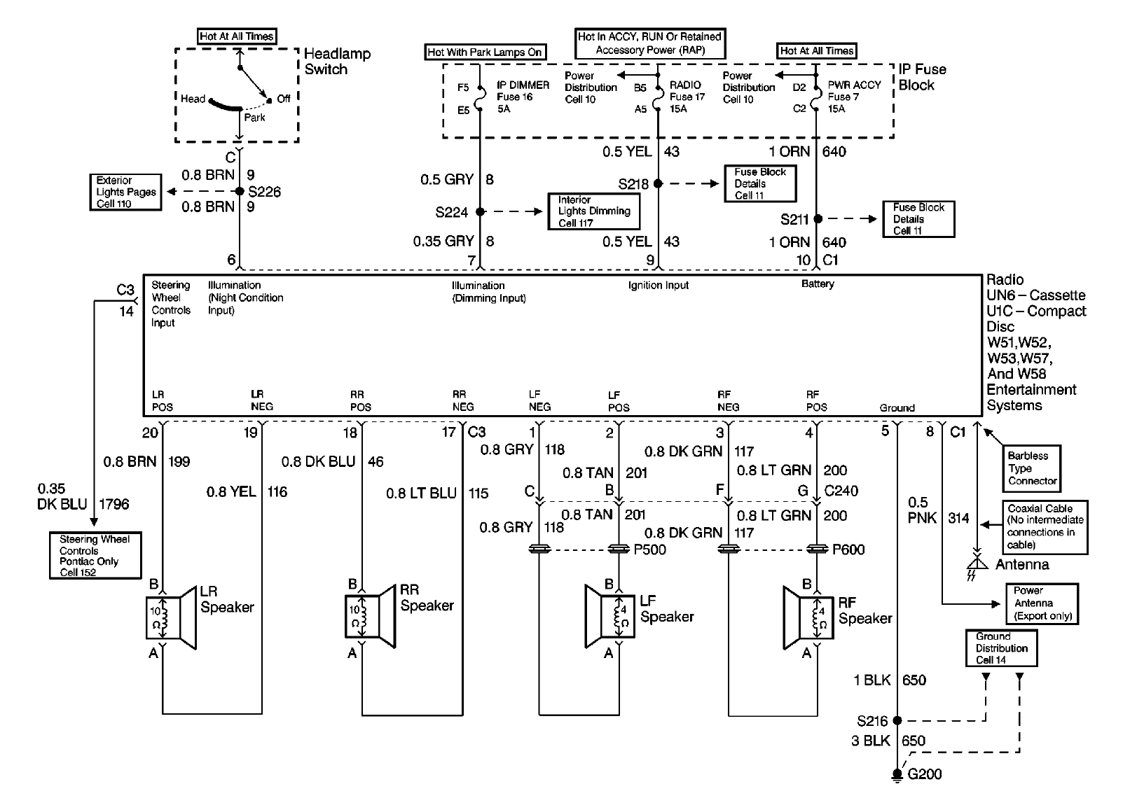
I replaced my entire dash because the older one had obvious cracks in the padded material, the car had a double din Pioneer stereo when I put everything back together there was a black connector with 18 pins with no place to go, I think this might go to the stock radio for Monsoon speaker system? Any ideas where this plug connects? Pic coming.
Joined: Nov 2003
Posts: 11,313
Likes: 341
From: Jacksonville, FL (originally from Toronto Canada)
The factory head unit connectors consisted of two 10-pin primary connectors that fit together so that they seem like one piece although one was white and the other was black; and a separate 9-pin connector for the optional remote CD changer (the wiring was there even if the changer wasn't). The primary connector combination used 17 of the 20 possible connections... the black connector was full while the white had three empty slots.
However, unless the installer of the Pioneer head unit completely rewired the entire audio system, the primary connectors would still be in use. Even if they went with an aftermarket amp and speakers, the two power wires, ground wire, dash illumination wire, steering wheel controls, along with the power antenna (Firebird) or speed controlled volume (Camaro) would still be used. Usually an adapter harness is connected to the aftermarket head unit so that it plugs into the factory connector.
However, unless the installer of the Pioneer head unit completely rewired the entire audio system, the primary connectors would still be in use. Even if they went with an aftermarket amp and speakers, the two power wires, ground wire, dash illumination wire, steering wheel controls, along with the power antenna (Firebird) or speed controlled volume (Camaro) would still be used. Usually an adapter harness is connected to the aftermarket head unit so that it plugs into the factory connector.








