Forced Induction Superchargers | Turbochargers | Intercoolers

2000 Camaro SS Turbo Build - 220+ pics!

Thread Tools
 
Search this Thread
 
Old Nov 3, 2025 | 09:08 AM
  #1  
5.7stroker's Avatar
Thread Starter
TECH Addict
15 Year Member
Liked
Loved
Community Favorite
iTrader: (36)
 
Joined: Apr 2009
Posts: 2,349
Likes: 276
From: OH
Default 2000 Camaro SS Turbo Build - 220+ pics!

How many of these 4th gen fbody turbo cars do we need out on the road?
I guess one more won't hurt...

Background
I purchased the car back in 2015. It was a H/C/I car living around 460 rwhp. The new setup is a 10.5:1 404ci forged L96 GM iron block, single turbo kit. Then engine machine work was done by BES in Indiana. The plan is to keep it as a street car for a few years with functioning heat, AC, full interior, living on low boost before the 10 pt cage goes in and it becomes a street/strip car. Most of its life will be on "low" boost living on the street. Maybe 1000 rwhp or so. This car will never see a 25 pt cage. 1200 rwhp should be enough to run 8.5 sec ¼ mile times.

None of this would have been possible if my friend Charlie didn’t help me out, sharing all of his knowledge and expertise along the way. I also reached out to many other individuals for advice and information. This project would not have been possible without them sharing their knowledge as well. All of you guys know who you are, and I thank you again for all your help to make this project a success!

Once all the parts showed up, I knew Charlie and I were in for a fun time!























The first thing I did was put some DEI header wrap on the hot side of a nice used Huron speed T6 v3 turbo kit that I scored off FB marketplace.








With these being used VS Racing wastegates and blow off valves, I wanted to completely disassemble them and inspect for leaks. I used Loctite on the piston set screws and did a pressure check for leaks. The rated spring pressure matched the actual measured pressures perfectly on both the gates and the bov. It didn’t help that the diaphragm was bent, so a new diaphragm was used. With no sign of leaks, the 11-13 PSI springs in the BOV and 10 PSI springs in the gates should be a good start.







Time to pull the low mile 52k Lingenfelter built LS1 out of the car.













Might as well drop the fuel tank while we’re at it. Damn this thing is dusty!




Time to put the front on jack stands to begin pulling the interior so that I can wire up the electrical system. Holley Dominator, Tinker Dash & 3.5 Holley Screen, custom relay/fuse box, retain the BCM and internal fuse panel and body harness. Drive by wire. No need to complicate things with a PDM, just integrate the Dominator into the existing system. Factory, cruise, EGR, ABS, traction control… all that stuff has to go. A much more detailed document outlining the electrical portion of this build can be found here:



Time to take the dash out of the car. By some miracle, I managed to not crack the 25 year old dash pad in the process.













Looking at this main line connector, and referencing the factory service manual wiring schematic, I knew I was in for a fun time with the wiring.






The factory HVAC system takes up too much room and needs to be replaced. I got the idea from JimTA, who I believe was the first one on here to install a Vintage Air unit in a 4th Gen Fbody. Jim also shared documentation on his wiring of the Dominator which saved me a ton of time! The Vintage Air HVAC setup is a much smaller footprint. The BMR HVAC delete plate is the go to for this setup. Look at the nice flat surface! What a perfect spot to mount a Holley Dominator and other electrical components! Oh wait, there’s room to run some Deutsch bulkheads? No point in feeding a full Holley wiring harness through the firewall when you can have every individual wire go through a bulkhead fitting for an easy quick disconnect system. The modding of the BMR delete plate begins!
















Last edited by 5.7stroker; Nov 3, 2025 at 11:08 AM.
Reply
Old Nov 3, 2025 | 09:09 AM
  #2  
5.7stroker's Avatar
Thread Starter
TECH Addict
15 Year Member
Liked
Loved
Community Favorite
iTrader: (36)
 
Joined: Apr 2009
Posts: 2,349
Likes: 276
From: OH
Default









Well that didn’t turn out too bad. The BMR HVAC delete how holds the following: Eaton Bussman 5 Relay/ 10 Fuse box, Leash Performance Big Dog 6 way fuse block (for constant 12v), Leash Performance 1HO Single 70amp Relay Module (for ignition), Holley dominator ECM custom made mounting bracket, a pair of Deutsch HD20 47 pin bulkheads, barbs for the HVAC system. Also fittings for the AC pressure and return lines (#10 and #6), bulkheads for power and ground, a 5 way power distribution block, and some ¼” push lock nylon hose pass throughs.

Since I’m fooling around with plates and brackets…. might as well purchase a F-Body Spare Tire Bottle Mounting Bracket SKU: 00-33001 from Nitrous Outlet and modify it to fit this CO2 tank I purchased off amazon. What a perfect spot to mount an MSD 4 bank solid state relay and some circuit breakers as well!








With no more room on the BMR delete plate, A 2nd Big Dog 1 6 way fuse block was added under the center console.





With the factory relay/fuse boxes under the hood removed, the custom Eaton relay box contains the following relays which needed to be installed upside down based on how the buss is ran. The relays are horn, fog lights, transmission, and AC. One of the relays is prewired for future use. The relays are Song Chuan 301-1A-C-R1-U03 12VDC Micro 280 SPST 35A. Wiring the relay box correctly means taking the time to map it out. I used Deutsch DTM 12 way and 8 way connectors to keep the wiring neat. Some of the required relays for this installation exceeded the maximum amp ratings. Because of this, these relays are not contained in the Bussmann, and are part of various aftermarket wiring harnesses themselves. These include the 2 fuel pump relays contained in the Racetronix dual pump harness and the relay on the Holley Dominator main engine wiring harness used to trigger fuel injectors and ignition coils. Theres also the Hella 40A relay used for the starter, and the Leash HO 70A relay for ignition. In addition there is also a relay for the aftermarket shifter where placement near the shifter is easier. While this relay could be contained in the Bussmann since it doesn’t exceed maximum amp rating, it was just easier putting it in the center console area based on how it is wired. The factory relays that were retained are the DRL behind the radio, the theft deterrent under the instrument panel, and the truck relay near factory connector C200.









With the factory engine harness completely removed and the factory relay boxes removed, you are left with a mess of wires that come out of the factory bulkhead on the driver side. All factory wires on the passenger side that lead to connectors C101, C102 etc are completely removed. I retained any factory wiring in the engine bay that dealt with control of the wipers, horn, fog lights, parking lamps, and head lamps. Everything else was removed.








I like to use heat shrink tubing followed by a standard label from a LWPX700 label printer, and then use clear heat shrink tubing on top of the label.



Ratchet crimpers make things easy. I think I purchased 7 different specialty crimp tools for this install. I was dealing with MP150, MP280, MP630, Micro-pack, Weather pack, and various other specialty terminals in various wire sizes. I think I made over 500 crimps. Checking continuity at the connectors was a fun process!







The 6 pin electric cutout switch was pre-wired and is located in the center console. This is a custom 5” cutout from DMH.





Ground Buss Bars mounted to Dominator Bracket to conserve space



Longacre 4 pole switch, 45782. Battery relocated to trunk using a SUM-G1231 battery box. Wired as seen below.







To be able to see what gear the vehicle is physically in, I’m using a Dakota Digital Universal Gear Shift Sending Unit GSS-3000 and Dakota Digital Alpha-Numeric LED Gear Shift Indicator DGS-1R. I needed to find a spot to mount this so I removed the factory Bosch traction control box located under the driver side dash and mounted the Dakota into the factory bracket. I had a friend custom print me a mounting plate that goes around the cig lighter for 3 buttons and the DGS-1R.



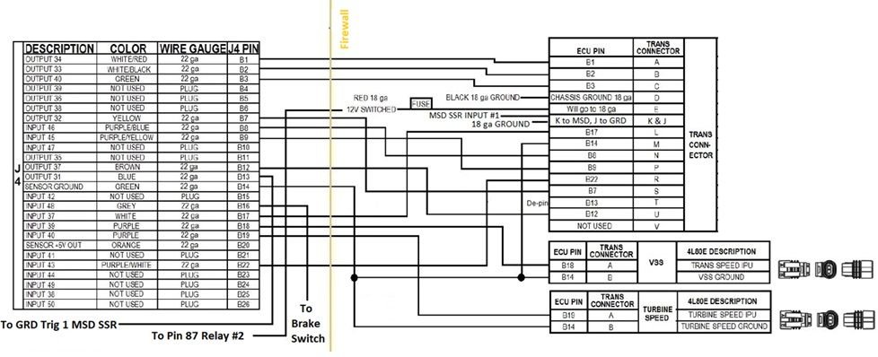
I made my own custom 4L80E transmission harness since purchasing one from Holley would have required additional modification anyway.






Rather than buy a flying lead harness for the Holley Dominator, I simply used the 58x LS2 harness that came in the Holley 550-651 kit, and cut the harness where I wanted it to pass through the firewall. Prior to doing so, all wires were labeled on both sides. When crimping Deutsch closed barrel terminals, a good crimp tool is a must. I went with the Daniels DMC AF8 M225201/01 Crimper with turret head TH1A. This tool also works with the closed barrel solid contact Superseal 1.0 nickel SSC-N terminals for the connectors that plug into the Dominator ECM. Passing drain wires through a bulkhead is always fun. It’s best to solder a wire to the end of the drain wire and put the terminal on the wire rather than the bare cable. The heat shrink butt splice wire connectors with solder in them are the way to go for these connections. Once all the terminals are on, the fun task of putting the correct wire in the correct hole of the HD20 bulkhead begins! A special tool is needed to push the terminals all the way through so that they are flush. I went with the JRready ST5236 kit for this install.














Last edited by 5.7stroker; Nov 3, 2025 at 10:58 AM.
Reply
Old Nov 3, 2025 | 09:09 AM
  #3  
5.7stroker's Avatar
Thread Starter
TECH Addict
15 Year Member
Liked
Loved
Community Favorite
iTrader: (36)
 
Joined: Apr 2009
Posts: 2,349
Likes: 276
From: OH
Default

Time to install the drive by wire pedal! A CHRS1313 pedal adapter bracket is the way to go! It save time from having to fab up a custom bracket. The pedal plugs right into Holley J3 connector using harness 558-406.









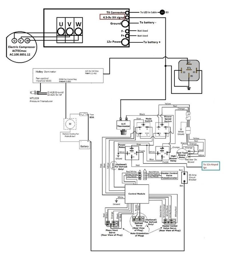
With much of the wiring out of the way, the HVAC system was next. I decided to go with an electric AC compressor ACTECMAX AC.100.3851 and a Vintage Air Gen 2 mini 66005-VUX-A. An electric compressor frees up the much needed room on the underside of the engine. This compressor uses POE 58 oil rather than PAG oil. The AC compressor pulls some serious current so an upgraded alternator is needed. I went with the Mechman 250A alt with a 2.9” pulley.








I knew that passing AC and Heater lines through a bulkhead wasn’t going to be fun, so I decided on bulkhead passthrough 100970 from JEGS for the AC lines and 5/8" Barb to -10AN 2-Port Firewall Bulkheads with AN heater hose conversion from Autoplumb for the heater lines. None of this stuff is found online, it all had to be figured out. The heater lines then needed to be reduced from 10AN to 8AN on the engine bay side, so I used WAN894-10-08-blk reducers from Amazon. Reason being is that the size of the fittings on the water pump are 8AN. (removed barbs and tapped them for 8 AN fittings)

The lines themselves were as follows:

PTFE 10 AN line on the inside for the low pressure AC line
Standard barrier hose on the inside for the high pressure #6 AC line
Standard 5/8 coolant hose on the inside for the evaporator
Standard barrier hose for the engine bay side for the AC lines
PTFE AN line on the engine bay side for the lines routing to the water pump

Unfortunately only 10AN and #10 AC threads are the same size. #6 AC and 6 AN threads are not the same and neither are #8 AC and 8 AN for the record. Because of this, one cannot use a 6 AN line on the inside for the high pressure AC line. One must use standard AC #6 hose and fittings. In other words, a four seasons 16746 adapter for the 6AN line isn’t going to work. The 16749 adapter for the 10AN line will work, which goes into the #10 connection on the evaporator.







A Duralast 191115933533 hose from Autozone is the ticket for getting the heater hose from the bulkhead to the heater control valve. It’s the perfect shape, it just needed cut in the right spot. I basically had the dimensions of the hose I needed and visited multiple local auto parts stores until I found a hose that was close enough. For the other hose, standard 5/8 coolant hose was used. I also used an EZ coil GY58UBP which keeps the 5/8 hose from kinking.








The taps used on the water pump were ½ NPT and 3/8 NPT. The fittings used were

½ NPT to 8 AN (Russell ProClassic AN to NPT Adapter Fitting 660493)
3/8 NPT to 8 AN (Russell ProClassic AN to NPT Adapter Fitting 660483)

Permatex liquid PTFE thread sealant was used.









Fitting for line 1 attached at water pump (W) -8AN STRAIGHT
Fitting for line 1 attached at bulkhead engine side (V) -8AN STRAIGHT
Fitting for line 1 attached at bulkhead cabin side (R) – 8AN STRAIGHT
Fitting for line 1 attached at evaporator (O) – NO FITTING USE CLAMP
Fitting for line 2 attached at water pump (X) -10AN STRAIGHT
Fitting for line 2 attached at evaporator (P) – NO FITTING USE CLAMP
Fitting for line 2 attached at heater control valve (Q) – NO FITTING USE CLAMP
Fitting for line 2 attached at other end of heater control valve (S)
Fitting for line 2 attached at bulkhead cabin side (T) -10AN STRAIGHT
Fitting for line 2 attached at bulkhead engine side (U) -10AN STRAIGHT





Once all the plumbing was done, it was a matter of connecting the duct work from the evaporator to the vents. For this, custom 3D printed adapters were used based on measurements taken from the various vent inlets. JimTA printed these up for me.

















Next came the custom 3D bracket for the Vintage Air 49200-RHA HVAC control *****. Had a friend print this up for me. Turned out perfect! Also I purchased a custom holley 3.5 screen 3D printed holder from Etsy that replaces the left vent.









Mounting the compressor and the control panel required the use of a right angle drill. I mounted the compressor where the factory ECM used to be. I had to use a 180 fitting off the back of the compressor for one of the lines. Also one of the bolts on the compressor wasn’t long enough for the angle that it needed to be mounted at, so I purchased a long bolt and cut it down to size then used a rubber grommet on the other side of it. The correct fittings for the compressor for the AC lines are from nikauto on ebay. Fitting diameters included below, only the 18.1mm and 15.3mm are needed. The entire Vintage Air system was pieced together, with custom lines having to be made. I used a Hydra-Krimp 71500 and standard barrier AC hose. Reduced barrier hose is also an option, but the fittings are more expensive.


















Last edited by 5.7stroker; Nov 3, 2025 at 09:41 AM.
Reply
Old Nov 3, 2025 | 09:10 AM
  #4  
5.7stroker's Avatar
Thread Starter
TECH Addict
15 Year Member
Liked
Loved
Community Favorite
iTrader: (36)
 
Joined: Apr 2009
Posts: 2,349
Likes: 276
From: OH
Default











Everything on this HVAC system was pieced together. There is no universal “kit” that covers it all. An MT1339 pressure sensor is used on the high pressure side and plumbed into the drier which is a 07321-VUC. A Vintage Air adapter fitting 366615 is used to adapt the sensor onto the drier. The full list of HVAC parts can be seen in the image below. Andrew (Dr. EFI) clued me in on this pressure sensor and what is needed to set it up!





With the HVAC system installed, it was just a matter of wiring it up. I decided to wire it where the PCM receives a ground signal when the compressor is commanded on (by way of turning the AC control **** to “on”) and this enables the relay to operate with trigger power from the thermostat out to the compressor to complete the ground circuit.

-AC pressure sensor MT1339 is setup as an input.
-AC compressor activation/AC kick is setup as a ground input.
-AC pressure and CTS are the X and Y axis in the PWM speed table.
-Cooling fan set as a ground output with parameters

When using an electric AC compressor, there is no need to have an output on the Holley for a relay going to the compressor to control activation. The idle up feature will compensate for the additional electrical load while the compressor is running at low RPM. Since this isn't a belt driven compressor, there is no need for WOT to kick off the compressor under acceleration.
Wiring diagram below.




With all that out of the way, next came the fuel system. Throw in a few Hellcat Walbro 525 pumps with a CHRS1313 billet fuel hat 10AN feed, 8AN return. The AN hoses are from Evil Energy.




















With the fuel system done, next up was the new brake lines, proportioning valve, line lock, and ATS brake setup.


























After that we had to replace the 4.10 gears in the Strange S60 with some 3.73’s. Made a setup bearing by honing the center of the bushing and a setup bearing sleeve by grinding down the outer surface to make the clearance checks go faster. We dialed in the clearances, checked the rub pattern, and bolted it back up.
















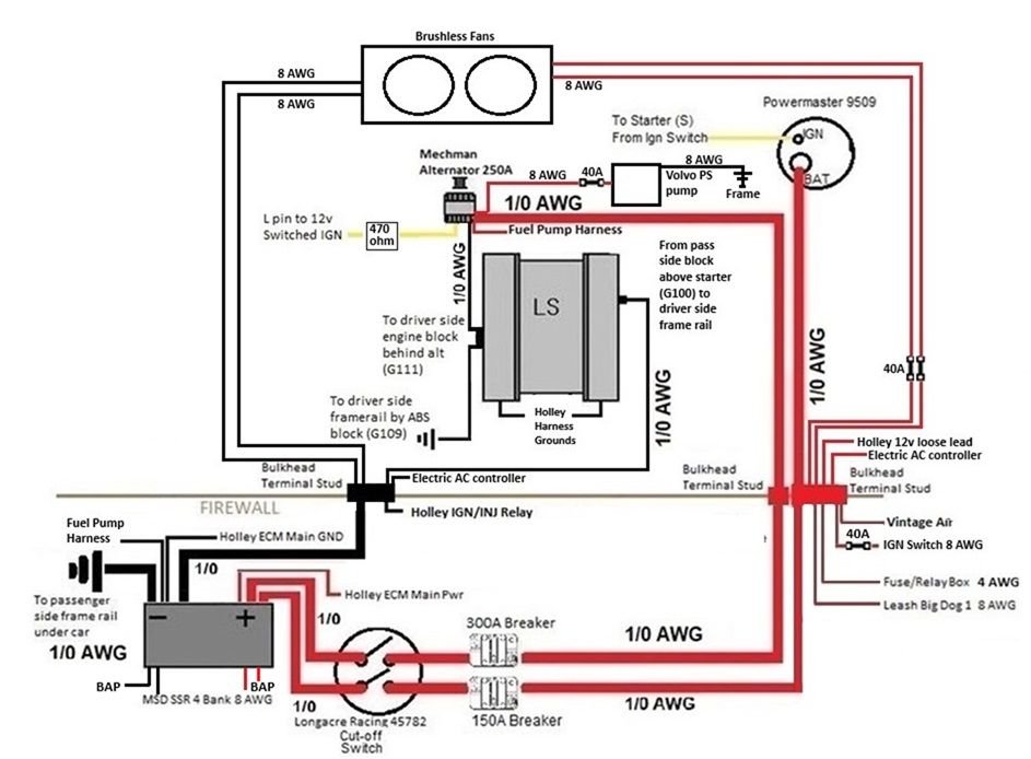
I decided to get rid of the factory power steering setup and switch to a Volvo S30 electric pump.

Red - Power – 8 AWG fused with 40A Blue Sea Systems Fuse and holder
Black - Ground 8 AWG
Gray – Goes to 12v switched

M18x1.5 fitting on rack is high pressure
M16x1.5 fitting on rack is low pressure









With the engine block already machined and back in our hands from BES along with CNC’d 823 heads, it didn’t take long for Charlie to button it all up. As mentioned previously, the engine is an L96 gen 4 block, 10.5:1 static compression, 4” Callies CCW crank with Molnar rods and Wiseco pistons built to handle the boost. 4.010” bore. 404ci. The ATI crank pulley that I had came with 40 durometer rings. We can’t just be throwing **** back onto a high hp engine that’s going to spin high without making sure the balancer is up to the task, so we replaced the 40 durometer rings with 70 durometer. ATI 91898070.







Last edited by 5.7stroker; Nov 3, 2025 at 10:32 AM.
Reply
Old Nov 3, 2025 | 09:10 AM
  #5  
5.7stroker's Avatar
Thread Starter
TECH Addict
15 Year Member
Liked
Loved
Community Favorite
iTrader: (36)
 
Joined: Apr 2009
Posts: 2,349
Likes: 276
From: OH
Default

















With all that out of the way, it was time to get the engine back into the car!







A quick inspection of the transmission showed that everything was good as the day I built it. I added an EA adjustable pressure regulator. With an FTI billet triple disk lockup converter, the drivetrain is ready to handle some power. I won’t go into the transmission build details here, but you can see what was done in this link here back when I built the transmission: https://ls1tech.com/forums/automatic...ons-guide.html

Learning how to build a 4L80E to handle 1200 rwhp was a journey in and of itself. I can’t tell you the amount of knowledge that has shared with me by some of the best builders in the business. I’ve since then shared this knowledge with others in need and have built several of these 4L80E’s for local guys.





No room or an oil filter when using a Moroso pan, so a remote oil filter was used. Mounted and ready to be plumbed.



Next is the fan setup, fan shroud, and mounting of the Griffin 1-58241-XLS radiator. Fans are brushless 12” 2017 Chevy Volt pullers, 300w each. The shroud setup is temporary, as mounting the fans like this is going to result in the fan touching the turbo, which isn’t good. A new shroud with recessed fans is in the works for the near future. To get the needed clearance, the radiator needs to be pushed up as far forward as possible. Right up against the hood latch, since we are retaining the factory hood. The lower rad support needs to go, and a new one was fabricated that is 1.5” lower than stock. This will give the new rad enough room to be pushed forward. These fans pull some serious amps, so blue sea systems fuse holders are used. Cutting and trimming of the upper bumper support bracket is also needed to clearance the rad. I found that the huron speed front intercooler support was perfect for mounting of not only the 6” A2A intercooler, but the Truecool 40K transmission cooler as well. Behind the transcooler is a 12x24 condenser, which doesn’t mount up against the rad, but rather at an angle. For this reason, an upper fan shroud will be made so that the AC still blows cold while at idle.
























































The bumper needed to be clearance and material taken out in order to clear the turbo setup. The front part also needed opened up for better airflow.


Last edited by 5.7stroker; Nov 3, 2025 at 10:33 AM.
Reply
Old Nov 3, 2025 | 09:11 AM
  #6  
5.7stroker's Avatar
Thread Starter
TECH Addict
15 Year Member
Liked
Loved
Community Favorite
iTrader: (36)
 
Joined: Apr 2009
Posts: 2,349
Likes: 276
From: OH
Default



Mocking up the upper rad shroud. Ready for the brake bender!




This place is as good as any for measuring rad pressure.






At this point we were ready to plumb the turbo setup. The turbo selected was an FIS S488/102 1.32AR divided housing. Time to tap for boost reference.





Alternator relocation bracket is a Billet Speed alternator bracket and Adjustable Idler System *Type 1* - Standard or Electric Water Pump LS1 LS2 F-Body (4th Gen) Camaro & Pontiac GTO. We needed to shave 0.325” off the billet spacers that came with the alt bracket so that the belt would align properly. I wish things would work right out of the box but sometimes they don’t. Details of the front accessories are as follows:

Mechman 250A alt - 8forulley, 2.9" - 24-0006S74-V2
AC Delco Water Pump - 252846 (LS1 98-02 Fbody spacing)
LS1 Accessory Drive Belt Tensioner Dorman 419-336
ATI 917276 Balancer
Gates Micro-V Serpentine Drive Belt - 69.5 inches - K060690
No belt driven AC compressor. No power steering pulley.



Crankcase, Dome, and CO2 pressure sensors mounted on a Low Dollar Motorsports 3 way block



List of all sensors and part numbers used as well as connector pinouts.



Turbo boost reference line plumbed.




Full turbo and catch can line routing




It’s coming together!




DEI wrap needed between the turbo flange and one of the fans. No smoking, so it’s good for now until a better fan shroud can be made that provides more clearance.











Downpipe mocked up for 5” cutout.




Underside shots!








Tinker Dash is great!












Here is a more detailed breakdown of the electrical portion of the build and how everything was wired. The end of the document contains all the part numbers and part descriptions used in this build:

https://drive.google.com/file/d/1FX2...ew?usp=sharing

Wiring diagrams for this build:

https://drive.google.com/file/d/1oKT...ew?usp=sharing

https://drive.google.com/file/d/1nBD...ew?usp=sharing

Last edited by 5.7stroker; Nov 3, 2025 at 10:36 AM.
Reply
Old Nov 3, 2025 | 09:11 AM
  #7  
5.7stroker's Avatar
Thread Starter
TECH Addict
15 Year Member
Liked
Loved
Community Favorite
iTrader: (36)
 
Joined: Apr 2009
Posts: 2,349
Likes: 276
From: OH
Default

Simplified Parts List

Engine
4" Stroke Callies CCW Crank
Molnar Rods
Pistons Wiseco RED00781X1 with H13 wrist pins
Connecting Rod Bearings CLCCB745HXN
ARP Stud Kit ARP 234-5608
ARP CA685 Head studs ARP 234-4314
Main Bearings CLCMS2199HX/H
Cam Bearings CH-25
Camshaft 235/236 .665/.667 117+4
JP Performance Timing Chain set JP5627T
Timing Chain Damper 95417
Johnson 2116LSR Lifters
LS3 Heads, hollow intake valves, solid stem SS exhaust valves
LS9 Head Gaskets
Billet Rocker Pedestals 0273641

Texas Speed Roller Tip RockersLS3 1.72 ratio
BTR Dual Spring kit- .685" Lift -SK702
Manton Custom Length Push rods 11/32 .120 wall series
Moroso Oil Pan & Pickup Tube
Remote Oil Filter Mount 2188ERL
Engine Gates Micro-V Serpentine Drive Belt - 69.5 inches
LS1 Accessory Drive Belt Tensioner Assembly
ATI Crank Balancer
Mechman 250A alt w/ 2.9” pulley
Billet Speed Alt Bracket
LS3 Intake Manifold
LS3 DBW TB
Valve Covers with 16AN bungs
D514 Ignition Coils
TCI Flexplate
Brisk colder level 8 plugs
MSD Plug wires
Dual Catch Can
Volvo S30 Electric Power Seering Pump

Turbo
FIS Turbo ETRS488/102 1.32 AR T-V5-488-V2-02-32-T6
Huron V3 T6 Turbo Kit with 6" intercooler
Mac Valve 3 Port Boost Control Solenoids 35A-AAA-DDBA-1BA
5" downpipe cutout
DEI Header Wrap
VSR Wastegates X46
VSR BOVs 50
CO2 2.5# Tank

Cooling/HVAC
Griffin Rad
Vintage Air Evaporator, Drier, Condenser
Electric AC compressor AC.100.3851
LS1 Water pump
160 T stat
2017 Chevy Volt Fans
HVAC Billet Delete plate
JEGS Steam port kit 4AN 555-53550
Radiator Coolant Overflow Tank

ECM/Electrical
Tinker 7” Dash and Bezzel
Holley 3.5 screen and Vent mount
Holley Dominator 58x kit
Holley Drive by wire setup
GM DBW pedal
Battery Relocation 1/0 AWG
Summit Battery Box
Headlight Depot Housings
Temco Welding cable
Longacre cut off switch

Sensors
Crank Sensor 12703627
4 BAR Map Sensor 899004
Dome pressure sensor 100 PSI 8990100-0-100
CO2 pressure 100 PSI 7990300
Fuel and Temp Pressure Sensor 100 PSI 899403
Radiator pressure 50 PSI 0-50 PSI 8990050
Intercooler Temp 2503675
2 BAR MAP / PAN VAC - For Crank Case Pressure 899002
Manifold Temp Sensor (IAT/MAT) 25036751
Flex fuel sensor 13507128
Wideband sensor MADO2-.7
Coolant temp sensor 2134514
Oil Pressure Sensor 12673134
Fuel Level sending unit 911-005
Transmission Speed Sensors 24203876
Transmission Main line pressure - 300 psi
Transmission Front cooler port pressure - 300 psi
AC high side pressure MT1339

Exhaust
Huron Speed 5” downpipe
5” Cutout in Downpipe
3” Vband routing to catback
Walker 53061 I pipe
Magnaflow 14267
Magnaflow 14416’s
CME Exhaust tips and elbows

Fuel system
Dual Hellcat Walbro 525 pumps
Fuel Injection Clinic 1650cc Injectors
Evil Energy Fuel lines and fittings
Chris Johnson Billet Fuel Hat
Aeromotive FPR 13101 Pressure Regulator
Racetronix Fuel Filter
Racetronix dual pump hotwire kit
Holley Fuel rails 534-209
Allstar Performance Access Panel ALL18543 10x14

Rear end
Dana Strange S60 rear end with 3.73 gears, s-trac, 35 spline, 3/4 red each side

Suspension
BMR Turbo K-member KM013R
MWC Tunnel mount torque arm and 3.5 catback crossmember
UMI Strut tower brace 2005-R
Viking double adj coil over kit A206-350K, C213-R, 14DP150
Adjustable Lower Spohn Panhard bar #104
BMR Upper Panhard rod PHR004
BMR Weld in Subframe Connectors SFC001
Spohn drag sway bar #921
Spohn Rear Lower Control Arm Relocation Brackets #210-S
UMI adj rear lower control arms 2018-R
Prothane Motor mounts 7-512
Rubber GM transmission Mount


Transmission Related
4L80E Transmission with Jakes D3 transbrake. Billet main, input, aluminum drum, rollerized.
Reid Bellhousing
TCI Flexplate
PST 3.5" Chromoly Driveshaft with billet Sonnax Yoke
B&M 80842 Pro Rachet shifter
4L80E MWC Crossmember
Dakota Digital Alpha-Numeric LED Gear Shift Indicator DGS-1R
Dakota Digital Universal Gear Shift Sending Unit GSS-3000
FTI triple disk converter
Tru Cool 40k OC-4739-1 trans cooler, 6AN cooler lines

Wheels/Brakes

ATS 4 piston Brembo Front Brake Upgrade, C7 - JL9 rotors, hawks pads
Strange 3” studs, front and rear
All new SS brake lines, flexible 3AN lines
Willwood Proportioning Valve
TBM Line Lock 52-1022

225/50/17 tires continental contipro SSR
275/50/15 Mickey Thompson ET streets
Race Star 15x8 RCE-92-580250DP (5.25" backspacing)
Race Star 17x7 RCE-92-770247DP (4.0" backspacing)

Stock Parts Still Remaining

Horn
Radio
Speakers
Headlamp brackets
Hood latch
Hood latch bracket
Hood
Wipers
Wiper motors
Brake booster
Brake pedal assembly
Master cylinder
Steering knuckles
Upper A-arms
Upper A-arm supports
Inner Tie Rod
Tie rod boots
Steering Rack
Steering column
Steering Shaft
Front Sway Bar
Fuel tank
Glass
Doors
Trunk
Full Interior
Internal fuse panel and body harness
Rear Bumper Bar
Rear Bumper Support
Body Moldings

Last edited by 5.7stroker; Nov 3, 2025 at 10:16 AM.
Reply
Old Nov 3, 2025 | 09:41 AM
  #8  
5.7stroker's Avatar
Thread Starter
TECH Addict
15 Year Member
Liked
Loved
Community Favorite
iTrader: (36)
 
Joined: Apr 2009
Posts: 2,349
Likes: 276
From: OH
Default

Car made 1015 rwhp on 16 lbs of boost
19 deg of timing, D514 coils at 4ms, E85, 11.7 Target AFR, BR7EF plugs
After a swap from the BR7EF plugs to colder Brisk DOR08DS plugs, the car made 1069 rwhp
Ran out of fuel with just two 525 helcat pumps at 43 psi base pressure
We will play around with it some more and see what it makes with more boost.
Keeping it under 1200 rwhp
At the end of the day a dyno number doesn't mean much, we'll see how it does at the track.
This was a fun project!

Last edited by 5.7stroker; Nov 3, 2025 at 10:51 AM.
Reply
Old Nov 3, 2025 | 04:08 PM
  #9  
Pro Stock John's Avatar
LS1Tech Co-Founder
20 Year Member
Community Influencer
iTrader: (34)
 
Joined: Nov 2001
Posts: 45,280
Likes: 1,704
From: Chicago, IL
Default

Congrats, and great job on the detailed posts!!
Reply
Old Nov 4, 2025 | 12:28 AM
  #10  
LilJayV10's Avatar
TECH Senior Member
15 Year Member
Liked
Loved
Community Favorite
iTrader: (39)
 
Joined: Apr 2007
Posts: 9,703
Likes: 997
From: Evansville,IN
Default

This is one the best, well thought out, quality builds I've seen on here in a long time.

The wiring is probably my favorite part.
Reply
Old Nov 4, 2025 | 07:01 AM
  #11  
LaBLKv6Z's Avatar
TECH Fanatic
15 Year Member
Liked
Loved
Community Favorite
iTrader: (13)
 
Joined: May 2010
Posts: 1,370
Likes: 215
From: Lafayette, Louisiana
Default

Love everything about the build and the attention to detail of documenting it. Nice work!
Reply
Old Nov 4, 2025 | 07:03 AM
  #12  
5.7stroker's Avatar
Thread Starter
TECH Addict
15 Year Member
Liked
Loved
Community Favorite
iTrader: (36)
 
Joined: Apr 2009
Posts: 2,349
Likes: 276
From: OH
Default

Originally Posted by LilJayV10
This is one the best, well thought out, quality builds I've seen on here in a long time.

The wiring is probably my favorite part.
Originally Posted by LaBLKv6Z
Love everything about the build and the attention to detail of documenting it. Nice work!
Thanks! The wiring was the most time-consuming part of the build by far.
I included all the various terminals, connectors, part numbers, crimp tools etc that was used here: https://drive.google.com/file/d/1FX2...IgBJmXA7a/view

Reply
Old Nov 5, 2025 | 08:48 PM
  #13  
jayyyw's Avatar
TECH Fanatic
5 Year Member
Liked
Loved
Community Favorite
 
Joined: Dec 2017
Posts: 1,600
Likes: 1,082
Default

Awesome build! Sorry if i missed, but what injectors are you running? Sucks that dual 525s tap out around that 1050-1100 range. I just order some for my build but i guess, I should be okay around 1000whp. For a bit, lol.
Reply
Old Nov 5, 2025 | 08:56 PM
  #14  
5.7stroker's Avatar
Thread Starter
TECH Addict
15 Year Member
Liked
Loved
Community Favorite
iTrader: (36)
 
Joined: Apr 2009
Posts: 2,349
Likes: 276
From: OH
Default

Originally Posted by jayyyw
Awesome build! Sorry if i missed, but what injectors are you running? Sucks that dual 525s tap out around that 1050-1100 range. I just order some for my build but i guess, I should be okay around 1000whp. For a bit, lol.
Thanks! Fuel Injection Clinic 1650cc.
Might want to get a 3 pump setup from Chrs1313 depending on future hp goals.
Reply
Old Nov 6, 2025 | 05:22 AM
  #15  
LS1-IROC's Avatar
TECH Enthusiast
15 Year Member
Liked
Loved
Community Favorite
iTrader: (4)
 
Joined: Aug 2006
Posts: 614
Likes: 37
From: Grand Rapids, Michigan
Default

Great write up! Nice build. How well does that electric A/C work?
Reply
Old Nov 6, 2025 | 08:29 AM
  #16  
91 Z28's Avatar
TECH Fanatic
5 Year Member
Photogenic
Photoriffic
Liked
iTrader: (3)
 
Joined: Oct 2016
Posts: 1,565
Likes: 363
From: Armstrong BC
Default

Originally Posted by jayyyw
Awesome build! Sorry if i missed, but what injectors are you running? Sucks that dual 525s tap out around that 1050-1100 range. I just order some for my build but i guess, I should be okay around 1000whp. For a bit, lol.
Go with a brushless fuel pump there's in-tank brushless pumps that will blow those dual 525's away. Pricey? Absolutely! Worth it tho to just have a single pump and speed control.
Reply
Old Nov 6, 2025 | 08:54 AM
  #17  
5.7stroker's Avatar
Thread Starter
TECH Addict
15 Year Member
Liked
Loved
Community Favorite
iTrader: (36)
 
Joined: Apr 2009
Posts: 2,349
Likes: 276
From: OH
Default

Originally Posted by LS1-IROC
Great write up! Nice build. How well does that electric A/C work?
It's all hooked up but not charged yet. Temps too cold now to really test the effectiveness.
I know someone with the same exact setup in an El Camino that says it performs nicely. Need a big 250A alternator because it pulls some decent amps.
Reply
Old Nov 6, 2025 | 05:28 PM
  #18  
Black_Sunshine_99's Avatar
TECH Junkie
10 Year Member
Photoriffic
Liked
Loved
iTrader: (11)
 
Joined: Mar 2013
Posts: 3,761
Likes: 777
From: Washington
Default

Originally Posted by 91 Z28
Go with a brushless fuel pump there's in-tank brushless pumps that will blow those dual 525's away. Pricey? Absolutely! Worth it tho to just have a single pump and speed control.
Are you talking about those Deatschworks pumps?
I thought I saw they had some new 500+ and 600+ LPH brushed in-tanks pumps available that looked interesting, can't seem to find them on their website though.
Reply
Old Nov 6, 2025 | 05:46 PM
  #19  
91 Z28's Avatar
TECH Fanatic
5 Year Member
Photogenic
Photoriffic
Liked
iTrader: (3)
 
Joined: Oct 2016
Posts: 1,565
Likes: 363
From: Armstrong BC
Default

Originally Posted by The ******
Are you talking about those Deatschworks pumps?
I thought I saw they had some new 500+ and 600+ LPH brushed in-tanks pumps available that looked interesting, can't seem to find them on their website though.
Yea there's those pumps and the new Deatschwerks brushed pumps which have crazy flow but I was pointing towards the Holley VR1 pumps. They work in all fuels can flow 335 gph at 13.8v and capable of 130 psi and still have crazy flow and it's only 19 amps draw.

The 620 Deatschwerks pump is on the website as a universal for $299 and is expected to ship in December.

I haven't seen any real world use of the VR1 pumps tho

Last edited by 91 Z28; Nov 6, 2025 at 05:52 PM.
Reply




All times are GMT -5. The time now is 09:41 PM.